0,00 Kč
Celkem: 0,00,- Kč

Set Franke G227 Šedý kámen

Set Franke G227 (dřez CNG 611-78 TL/7 Bílá-led + baterie FC 3055.094 ORBIT Chrom/Bílá-led)

Kategorie: SETY (dřez + baterie)
Naše cena s DPH:
10 790,00 Kč
- +

Další varianty

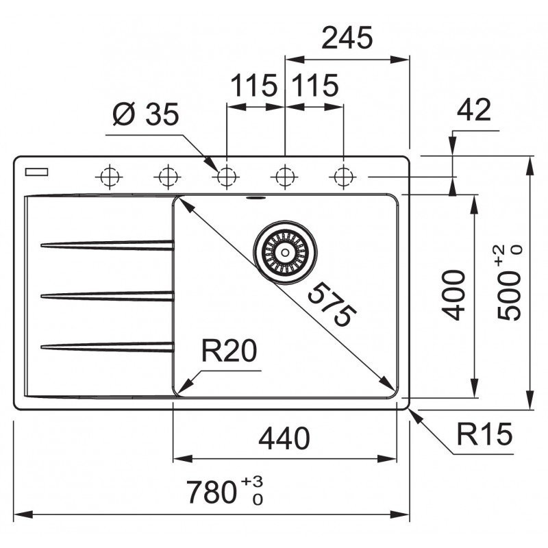
Kuchyňský dřez Franke Centro CNG 611-78 TL/7 Bílá-led, pravý

  • Materiál: Fragranit Durakleen PLUS
  • Barevná varianta: Bílá-led
  • Rozměr dřezu: 780 x 500 mm
  • Rozměr dřezové nádoby: 440 x 400 x 200 mm
  • Minimální šířka skříňky: 500 mm
  • Způsob montáže: Horní, dřez je usazen nad pracovní desku
  • Orientace dřezu: Pravý (vana dřezu vpravo)
  • Provedení přepadu: Přepad umístěn ve vaně dřezu
  • Typ výpusti: Sítková výpusť 3 1/2
  • Rozměr výřezu: 760 x 480 mm R15
  • Ruční ovládání výpusti - výpusť se zavírá a otevírá zamáčknutím sítka.

Fragranit je materiál vytvořený optimálním spojením drcené žuly (80%) a akrylu (20%). Snadno se udržuje i při zachování charakteru přírodního kamene.

Odolný vůči teplotám do 180 st. C, takže se nemusíte bát, že horké hrnce poškodí povrch. Ve srovnání s keramikou či smaltem je mnohonásobně odolnější vůči poškrábání. Je také odolný vůči poškození agresivními materiály - např. čistícími prostředky, ovocnými šťávami nebo vínem.

Nově je tento materiál obohacen o antibakteriální úpravu Sanitized.

Dřezy Franke patří mezi světovou špičku - dřezy jsou vyhlášené svou kvalitou, nezaměnitelným designem a špičkovým zpracováním.

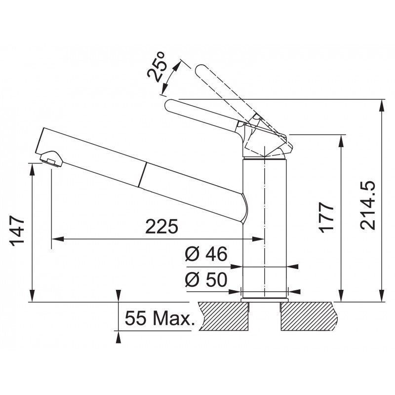
Kuchyňská baterie Franke FC 3055.094 ORBIT Chrom/Bílá-led

  • Provedení: Bílá-led - barevný nástřik, sladěno k Fragranitovým dřezům
  • Páková směšovací
  • Tlaková
  • Otočná o 120°
  • S vytahovací koncovkou osazenou perlátorem
  • Opletená sprchová hadice 150 cm
  • Připojení: hadičky 45 cm
  • Průtok vody: 9 l/minutu (3 bar)
  • 2 polohy páčky - Šetří vodu až po 50 %, páčka se nejprve otevře k dorazu v polovině a dojde tak k přirozenému omezení průtoku.
  • Úspora teplé vody - Ve výchozí poloze je páčka nastavena na studenou vodu, která je většinou v kuchyni dostačující. Umožňuje tak snížit spotřebu horké vody a tím šetří náklady na její ohřev.

Baterie Franke patří mezi světovou špičku - baterie jsou vyhlášené svou kvalitou, nezaměnitelným designem a špičkovým zpracováním.

Obsah balení

  • Granitový dřez
  • Příchytky
  • Těsnění není součástí balení, u granitových dřezů se jako těsnění používá silikon
  • Sítkový ventil 3 1/2" s přepadem
  • Sifon pro úsporu místa 6/4" s odbočkou na myčku
  • Vymezovací podložka pro montáž kuchyňské baterie
  • Dřezová baterie
  • Připojovací hadičky
  • Montážní balíček

Poptávka po spotřebičích

Osobní údaje:

Spotřebiče:

Preferované značky:

Další informace: